星空体育app下载入口 你了解你的自行车花鼓吗?还在为这些误区买单吗?优缺点分析

轮毂系统
轮组作为自行车系统中非常重要的组成部分,其重量、刚性、风阻系数等因素对自行车的性能影响很大。今天主要给车友们讲解一下自行车轮毂的组成、结构和原理,以及车友们对于轴承轮毂和滚珠轮毂的一些误区:
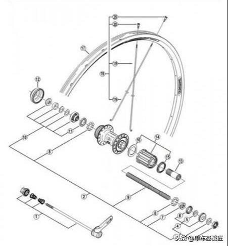
要谈轮毂,首先要了解轮组由哪些部分组成:主要由轮圈、轮毂、辐条和辐条螺母(俗称辐条螺母)组成。三者的组合以及辐条的编织方法共同影响着轮组的性能。表现。

花鼓
可以说是轮组的核心,它的平稳程度极大地影响着轮组在行驶过程中的实际滚动效果。自行车上使用的轮毂主要分为锁紧轮毂(俗称旋转轮毂)和卡式轮毂。

红色部分为卡带底座部分

注:轮毂右侧锁齿部分装有旋转飞轮,又称锁齿轮毂。
山地自行车和公路自行车都使用卡式轮毂,但在一些低端车辆上,广泛使用锁定轮毂以降低成本。目前高端轮毂大多采用铝合金外壳,部分高档车还采用碳纤维外壳。
根据内部滚动部分的不同星空·体育中国官方网,轮毂分为球轮毂和轴承轮毂。

注:Shimano XT花鼓拆解图。该轮毂是球型轮毂。

注:轴承后轮毂的剖视图。灰色部分是轴承的位置。此图显示了 4 轴承轮毂。
轮毂的机构及原理
前轮毂:轮毂壳与轴通过内部轴承或珠碗(俗称碗)结构连接,使轮毂体相对轴自由旋转。

注:球前轮毂的分解图。

注:前轴承轮毂的剖视图。
后轮毂:轮组由棘轮装置驱动。棘轮装置一般包括棘爪(又称棘爪、弹片、销轴等)和棘齿。踩踏时,轮毂棘爪咬住棘轮齿传递驱动力;停止踩踏时星空体育app下载入口,棘爪松开棘轮齿,自行车可靠惯性滑动。大多数棘轮装置的棘爪设计在后轮毂的另一侧,棘轮位于轮毂壳体上,也有的恰恰相反。

注:塔机内部棘轮结构示意图。

注:轮组塔基体拆解图。塔基为传统结构。

注意:行星齿轮位于 DT Swiss 轮毂内。

注:DT Swiss 轮毂横截面。中间的两个行星齿轮相互啮合,使轮组旋转。

注:Chris King 轮毂结构和分解图。

注:Chris King 轮毂结构和分解图。
市场上也有一些品牌或型号的后花鼓,如DT Swiss、Chris King、Ring Drive等高端花鼓,放弃了普通的棘爪和棘轮星空体育平台官网入口,而采用行星棘轮(一种类似于汽车的特殊棘轮装置)离合器),但功能效果类似。
花鼓的种类及特点:
一般来说,说到轮毂的类型,根据内部滚动部分的机理,分为滚珠轮毂(又称滚珠轮毂)和轴承轮毂(或称轴承轮毂)。
1.珠止毂

特点是:
1、钢球直接接触球碗和轴齿轮,接触面积大;
2、滚珠不像轴承那样需要内外支撑,因此可以容纳更多的滚珠;
3、理论上,止胎轮毂可以承受更大的压力,具有更好的侧向力;
4、拆卸维护方便,但调整滚动机构需要丰富的经验,实际操作对普通骑手来说并不方便;
5、缺点是接触面较大,摩擦力增大,影响润滑。
6、防水性能较弱,但高端止珠花鼓防水也表现良好。
2.培林花鼓

轴承轮毂的滚动部分主要由高精度滚珠轴承组成,也有的与滚珠组合。通常分为2轴承、3轴承和4轴承,分别代表轮毂内部轴承的数量,其中3轴承和4轴承我主要用在后轮毂上。
特点是:
1、轴承轮毂内部有支撑架,稳定性和精度高;
2、安装滚珠数量少,摩擦力小,润滑性高,会牺牲耐用性和舒适性;
3、径向,即垂直刚性很高,但侧面刚性较弱;
4、无需维护,磨损后可直接更换,维护成本低;
5、安装、拆卸需专业工具。不正确的方法会损坏轴承。
大多数新手骑手对轮毂都有误解:
1. 轴承轮毂比珠块轮毂更好吗?

注:轴承轮毂和阻挡轮毂的应力分析。
轴承轮毂在精度和平滑度方面都优于珍珠轮毂。在垂直地面骑行时,采用Bearin轮毂的后轮变速更加精准,骑行更省力、更平稳。然而,当自行车轮组在转向、摇摆等过程中不受垂直受力时,轴承轮毂的效率会因其轴向刚度较弱而降低,但对于胎圈轮毂则不会发生这种情况。 Shimano XTR、7900等顶级花鼓也采用挡圈设计,高精度的做工也能让产品达到高平滑度。
2、轮毂轴承轴承越多,强度越高吗?

注:蓝色箭头表示轴承上的力的位置和方向。箭头越大,力越大。
如果前轮毂是轴承轮毂,通常有2个轴承,而后轮毂有2个轴承、3个轴承、4个轴承三种规格。 4轴承轮毂中,轮毂壳内只有两个主要用于承载的轴承,因此强度与2轴承轮毂基本相同。
轴承轮毂的真正意义在于其他两个轴承主要支撑棘轮的精确旋转。高精度的轴承可以减少塔基和飞轮旋转时的挠度,使变速更加准确。
3、花鼓的圈数越多越好吗?

注:JOSON生产的120环花鼓。

注:虽然有120个环,但仍然采用三棘轮结构,但棘轮上有更多的小爪,以增加接触面积。

注意:如果仔细观察,可以看到密密麻麻的120齿棘轮。缺点是磨损快,容易磨损、打滑。材质和做工起着相当大的作用

注:常用轮毂棘爪和棘轮齿。棘爪密度并不像上图那样高得离谱。但可以达到更好的平衡。
后轮毂内安装有棘轮装置。当转动轮组时,棘轮装置会发出声音(推车时发出的咔哒声)。轮毂发出的声音数量一般是根据塔底座旋转一圈时轮毂发出的声音数量来计算的。实际保养轮毂时,在棘轮机构中加入较多的润滑脂,会使声音变小甚至消失,同时也会增加轮毂的阻力。轮毂发出的噪音越大,并不意味着它越顺畅。噪音越大,棘爪与棘轮碰撞的次数就越多,就会在一定程度上损失动能。
高共振轮毂的真正意义在于,在踩踏过程中,棘爪可以以很小的踩踏角度咬住棘轮,减少力量的损失。
根据一些集线器制造商的测试,集线器在50-60次点击时可以达到最佳性能。
好的,今天就这样。下一期见。自行车技工每天都会为您带来更多新奇、好玩、有趣、实用的自行车知识。
鲁ICP备18019460号-4
我要评论